在電子設計領域,選擇合適的功率開關對于電源管理至關重要。KP322X 系列作為一款高性能低成本的離線式 PWM 控制功率開關,憑借其多樣化的型號和封裝形式,為工程師提供了豐富的選擇,以滿足不同應用場景的需求。本文將深入解析 KP322X 系列的各個型號及其封裝特點,幫助讀者更好地理解并選擇適合的型號。

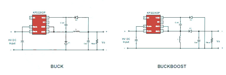
KP322X 系列是一款專為離線式小功率降壓型應用設計的 PWM 控制功率開關。它集成了 650V 高壓 MOSFET 和高壓啟動電路,支持降壓和升降壓拓撲,能夠實現固定 12V 輸出。該系列產品的核心優勢在于其多模式控制技術,能夠在不同負載條件下自動調節開關頻率,從而簡化外圍電路設計,提升線性調整率和負載調整率,并有效消除可聞噪音。
此外,KP322X 系列還具備完備的保護功能,包括過載保護、逐周期電流限制、輸出過壓保護、VDD 過壓欠壓保護等,確保了系統的穩定性和可靠性。
封裝類型:SOP-8
內阻:10Ω
輸入電壓范圍:150-265Vac
穩態負載能力:300mA
峰值負載能力:400mA
KP3221SG 采用 SOP-8 封裝,適用于需要較高集成度和較小空間的應用場景。其 10Ω 的內阻在保證性能的同時,能夠有效控制功耗。150-265Vac 的寬輸入電壓范圍使其能夠適應多種電源環境,而 300mA 的穩態負載能力和 400mA 的峰值負載能力則滿足了小家電電源等應用的需求。
封裝類型:DIP-7
內阻:10Ω
輸入電壓范圍:150-265Vac
穩態負載能力:300mA
峰值負載能力:400mA
KP3221DP 與 KP3221SG 在電氣參數上基本一致,但采用了 DIP-7 封裝。DIP-7 封裝更適合于傳統插件式安裝,便于手工焊接和調試,因此在一些對安裝方式有特殊要求的工業控制應用中更為常見。
封裝類型:DIP-7
內阻:4.0Ω
輸入電壓范圍:150-265Vac
穩態負載能力:500mA
峰值負載能力:700mA
KP3222DP 在性能上進行了提升,其內阻降低至 4.0Ω,能夠支持更高的負載能力。500mA 的穩態負載能力和 700mA 的峰值負載能力使其能夠滿足更大功率需求的應用,如一些小型工業設備的電源。
封裝類型:DIP-7
內阻:2.0Ω
輸入電壓范圍:150-265Vac
穩態負載能力:600mA
峰值負載能力:800mA
KP3224DP 是 KP322X 系列中性能最強的型號,其內阻僅為 2.0Ω,能夠支持高達 600mA 的穩態負載和 800mA 的峰值負載。這使得 KP3224DP 非常適合于對功率要求較高的應用,如一些高性能的小家電或工業控制設備。

SOP-8 封裝是一種常見的表面貼裝封裝形式,具有尺寸小、散熱性能好、集成度高等優點。它適用于自動化生產,能夠有效提高生產效率和可靠性。KP3221SG 采用 SOP-8 封裝,適合于對空間要求較高的應用,如小型家電電源等。
DIP-7 封裝是一種傳統的插件式封裝形式,具有安裝方便、調試容易等優點。它適合于一些需要手工焊接或對安裝方式有特殊要求的應用場景,如一些工業控制設備。KP3221DP、KP3222DP 和 KP3224DP 均采用 DIP-7 封裝,能夠滿足不同功率需求的應用。

KP322X 系列憑借其多樣化的型號和封裝形式,為工程師提供了豐富的選擇。從 KP3221SG 的 SOP-8 封裝到 KP3224DP 的 DIP-7 封裝,每個型號都針對不同的應用場景進行了優化。無論是在小家電電源還是工業控制設備中,KP322X 系列都能提供高性能、低成本的解決方案。通過本文的介紹,相信讀者對 KP322X 系列有了更深入的了解,能夠更好地選擇適合的型號以滿足自身的設計需求。