在嵌入式系統開發中,STM32系列單片機因其高性能和豐富的外設功能而廣受歡迎。然而,由于供應鏈的波動和市場需求的變化,尋找合適的替代型號變得尤為重要。本文將介紹一些國產兼容STM32F103C8Tx的單片機型號,并提供詳細的替代方案。
根據最新的市場信息,以下型號是與STM32F103C8Tx兼容的國產單片機型號:
| Flash Size | Package | Part# | Compatible ST Model |
|---|---|---|---|
| 64KB | LQFP48 | FT32F113C8AT7 | STM32F103C8Tx |
| 64KB | LQFP48 | FT32F103C8AT7 | STM32F103C8Tx |
| 128KB | LQFP48 | FT32F113C8AT7 | STM32F103C8Tx |
| 128KB | LQFP48 | FT32F103C8AT7 | STM32F103C8Tx |
這些型號在功能和引腳上與STM32F103C8Tx高度兼容,適用于需要替代方案的項目。
Flash Size: 64KB,適合中等復雜度的應用。
Package: LQFP48,48引腳封裝,適合空間有限的PCB設計。
Performance: 基于ARM Cortex-M3內核,最高工作頻率可達72MHz。
I/O Ports: 提供豐富的I/O端口,支持多種外設連接。
Low Power Consumption: 支持低功耗模式,適合電池供電設備。
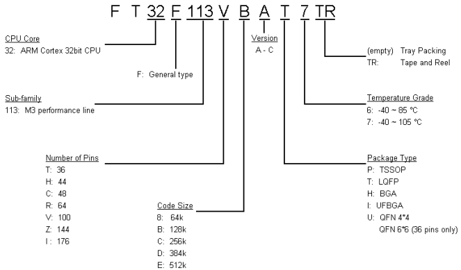
FT32F113C8AT7是一款64K閃存的單片機,采用LQFP48封裝。它與STM32F103C8Tx在功能和性能上完全兼容,適用于大多數需要64K閃存的應用場景。

Flash Size: 64KB,適合一般復雜度的應用。
Package: LQFP48,48引腳封裝,適合空間有限的PCB設計。
Performance: 與C8AT7相同,提供高性能處理能力。
I/O Ports: 更多的I/O端口,適合需要較多外設的應用。
Low Power Consumption: 同樣支持低功耗模式。
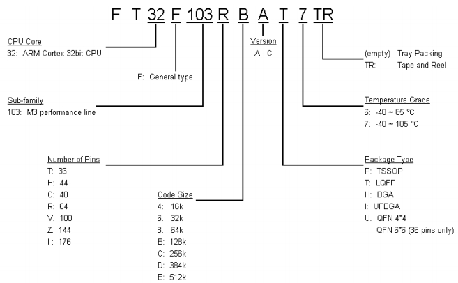
FT32F103C8AT7與STM32F103R8Tx相似,提供64K的閃存和更多的I/O引腳。它適用于需要更多外設連接的應用。

Flash Size: 128KB,適合復雜度較高的應用。
Package: LQFP48,提供與R8AT7相同的封裝選項。
Performance: 基于ARM Cortex-M3內核,最高工作頻率可達72MHz。
I/O Ports: 提供豐富的I/O端口,支持多種外設連接。
Low Power Consumption: 支持低功耗模式,適合電池供電設備。
Additional Features: 可能包括更多的定時器和通信接口。
FT32F103C8AT7提供128K的閃存,適合需要較大存儲空間的應用。它與STM32F103RBTx兼容,能夠替代大多數高性能應用。

Flash Size: 128KB,適合需要存儲大量數據的應用。
Package: LQFP48,48引腳封裝,適合空間有限的PCB設計。
Performance: 基于ARM Cortex-M3內核,最高工作頻率可達72MHz。
I/O Ports: 提供豐富的I/O端口,支持多種外設連接。
Low Power Consumption: 支持低功耗模式,適合電池供電設備。
Additional Features: 可能包括更多的定時器和通信接口,適合復雜的控制系統。
FT32F113C8AT7是一款128K閃存的單片機,采用LQFP48封裝。它與STM32F103V8Tx兼容,適用于需要更大存儲空間和更多外設連接的應用。這些特點使得這些國產兼容型號不僅能夠替代STM32F103C8Tx,還能在某些方面提供額外的功能或改進。選擇合適的型號可以確保應用的性能和功能需求得到滿足。

在選擇替代方案時,開發者需要考慮以下幾個因素:
Flash Size: 確保選擇的型號提供足夠的存儲空間。
Package Type: 根據實際的PCB設計和空間限制選擇合適的封裝類型。
Performance: 確認替代型號的性能是否滿足應用需求。
Availability: 考慮供應鏈的穩定性,選擇容易獲取的型號。
通過仔細比較這些因素,開發者可以選擇最適合其項目需求的國產兼容型號。
國產兼容STM32F103C8Tx的單片機型號為嵌入式系統開發提供了靈活的替代方案。通過選擇合適的型號,開發者可以在保持應用性能的同時,優化成本和供應鏈管理。希望本文提供的型號和替代方案能夠幫助開發者在項目中實現無縫切換。