BP85221AL晶豐明源SOP7封裝5V 50MA非隔離開關電源驅動芯片
5V 50MA SOP7
5V 50MA SOP7
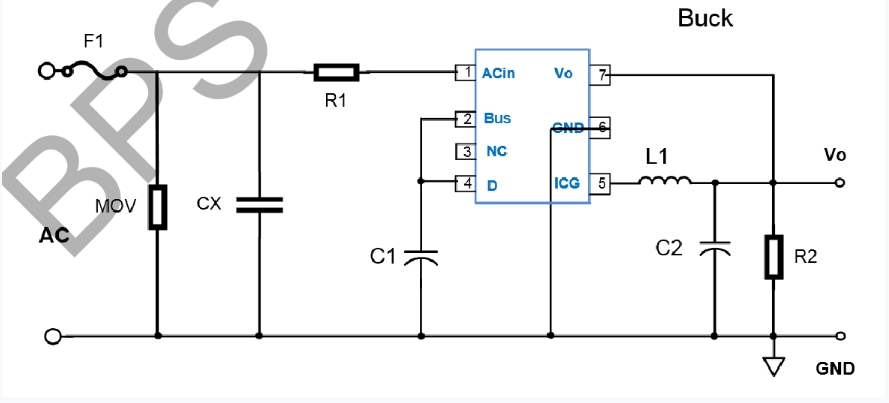
BP85221AL是一款高性能 高集成度、低待機功耗的開關電源驅動芯片,適用于全電壓85~265VAC輸入的 BuckBuck-Boost拓撲應用。功率電感可兼容0510色環電感或CD43貼片電感。
BP85221AL 內部集成1600V整流二極管、550V高壓MOSFET、高壓啟動和自供電電路、電流采樣電路、電壓反饋電路以及續流二極管,無需外部VCC電容,減少外圍器件數量,降低系統成本和體積,提高可靠性。
BP85221AL提供豐富的保護功能,包括輸出過載/短路保護、逐周期限流、過溫保護等,使系統更加安全可靠。BP85221AL采用ASOP-7封裝
集成1600V整流二極管
兼容0510色環電感或CD43貼片電感
集成VCC電容、續流二極管和反饋二極管
集成550V高壓MOSFET
集成高壓啟動和自供電電路
低待機功耗<100mW@230Vac
固定5V輸出
優異的動態響應速度,輸出電壓紋波小
良好的負載調整率和線性調整率
自適應開關頻率,最高75kHz
改善EMI性能的頻率調制技術
保護功能:
① 輸出短路保護(SCP)
② 輸出過載保護(OLP)
③ 遲滯過溫保護(OTP)
