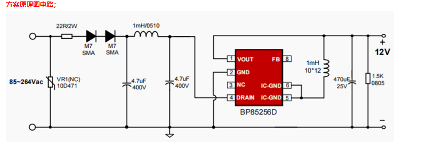
BP85256D晶豐明源SOP7封裝12V 300MA非隔離開關電源驅動芯片
12V 300MA SOP7
12V 300MA SOP7
BP85256D 是一款高性能、高集成度、低待機功耗的開關電源驅動芯片,適用于全電壓 85~265VAC 輸入的 Buck、Buck-Boost 變換器拓撲應用。 BP85256D 內部集成了 650V 高壓 MOSFET、高壓啟動和自供電電路、電流采樣電路、電壓反饋電路以及續流二極管,采用先進的控制技術,無需外部 VCC 電容和環路補償即可實現優異的恒壓輸出特性,減少外圍器件數量,節省系統成本和體積,同時提高可靠性。

集成 VCC 電容、續流二極管和反饋二極管
集成 650V 高壓 MOSFET
集成高壓啟動和自供電電路
低待機功耗 50mW@230Vac
固定 12V 輸出
優異的動態響應速度,輸出電壓紋波小
良好的負載調整率和線性調整率
降低音頻噪聲的降幅調制技術自適應開關頻率,最高 45kHz
改善 EMI性能的頻率調制技術
內置軟啟動功能
保護功能。
小家電輔助電源 ,電機驅動輔助電源 ,IOT/智能家居/智能照明